一、恒温防护服规格参数:
订货号:TMZ07C05
名称:那智 MZ07L-01加热机器人防护服
特点:加热、防寒、防尘、防水、耐酸碱
防护类型:搬运、码垛
适用范围:那智工业机器人
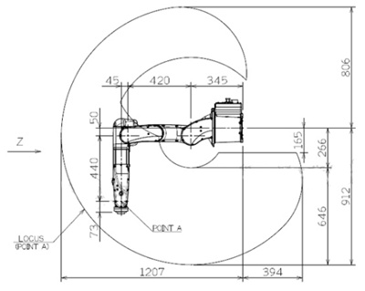
尺寸规格:那智 MZ07L-01
简介:那智恒温防护服、机器人恒温防护服、工业机器人加热防护服、防寒机器人防护服、机器人防寒服

二、机器人参数


三、详细说明
1.恒温工况
在冷库和北方的冬季,零下三十度左右气温环境下,会导致机器人运行速度变慢,水管冻裂,机器润滑油凝固等现象,针对客户的需求,我司开发出可加热,可制冷的恒温机器人防护服,根据客户现场需求调整温度,保障客户在恶劣的环境中正常使用。

2.防护类型
搬运、码垛

恒温机器人防护服具有足够的可靠性,在规定的寿命期限内有足够的强度、刚度、稳定性、耐腐蚀性及抗疲劳性,以确保安全。

恒温机器人防护服具有足够的可靠性,在规定的寿命期限内有足够的强度、刚度、稳定性、耐腐蚀性及抗疲劳性,以确保安全。
3.材质
采用特制的复合型材质,具有一定的保温抗风防水性能。防护服本体添加温控系统,可根据客户环境需求设置调节温度,满足客户的使用工况,保证机器人正常的运转。

恒温防护服采用特制的复合型材质
3.防护服细节


本体添加温控系统,设置调节温度 伸缩自如,不影响机器人的运动

本体添加温控系统,设置调节温度 伸缩自如,不影响机器人的运动
售前咨询专员
