一、规格参数
订货号:TRB08A3P04
名称:广数RB08A3喷涂机器人防护服
特点:防粉尘、防静电、防油漆
机器人工况:喷粉,喷涂,喷漆
适用范围:广数工业机器人
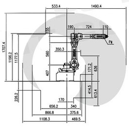
尺寸规格:广数RB08A3
二、机器人参数


三、防护服详情
喷涂机器人在工作过程中,机器人本体不可避免地处于油漆喷雾易爆环境中,安装喷涂机器人防护服可以有效的保护机器人隔离静电、粉尘。喷涂机器人防护服主要应用于制造企业油漆车间的各类喷涂机器人。

四、防护服材质
喷涂机器人防护服选用具有良好伸缩性的抗静电高性能面料,具有抗静电、防尘、阻燃、抗起毛起球的功能以及良好的弹性。
检测报告



04、防护服特点
1. 抗静电、阻燃:避免生产时产生大量静电,消除由于静电积压而可能引起的安全事故。
2. 防尘、耐油污:避免油漆粉尘聚集滴落在车身上,提高喷涂机器人工作效率。
3. 良好伸缩性:喷涂机器人灵活活动部位及伸缩部位,由专业特殊设计,避免喷涂机器人多角度转动时撕裂喷涂机器人防护服。
4. 可拆卸,安装方便的设计,可以随时拆卸下来维修保养,特别是对于经常需定时调试、维护的机器人,节约了人力成本。
关键词:机器人防护服 喷涂机器人防护 广数RB08A3喷涂防护服 喷涂防护服 广数喷涂防护衣 特鲁门专业生产喷涂防护服 TRB08A3P04
售前咨询专员
